Encuentra una completa variedad de despieces y repuestos para los modelos de pistolas automáticas Colt® 380, ideales para mantener tu arma en óptimas condiciones.
Colt® 380 Models Despieces - Encuentra todo lo que necesitas para tu Colt®
Bienvenido a la sección de Despieces de Colt® 380, donde podrás explorar una amplia gama de repuestos y componentes para tus pistolas Colt® de autoloading. Aquí encontrarás todo lo necesario para mantener tu arma en óptimas condiciones, desde piezas originales hasta accesorios. Nos enfocamos en ofrecerte información detallada sobre cada pieza, asegurando que puedas identificar fácilmente lo que buscas. Ya seas un aficionado o un profesional, nuestra colección está diseñada para ayudarte a realizar reparaciones y mejoras en tu Colt® 380. ¡Descubre la calidad y la variedad que tenemos para ti!
Colt® 380 Models
Colt® 380 Models Despieces
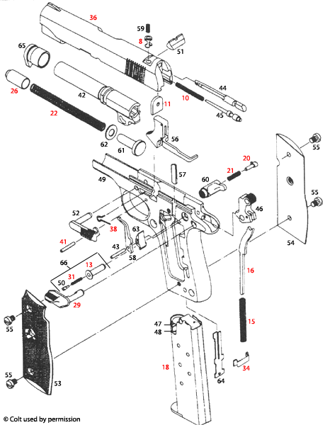
Click en el numero rojo para ver más información del articulo y añadir la referencia del fabricante a tu cesta de la compra. Selecciona "Lista de partes" para ver todos los numeros de este diagrama.
Los precios incluyen el IVA, y el transporte de EE.UU a España, no incluye el envío a su domicilio. En caso de envío a las Islas Canarias, la tasa de aduanas se repercutirá al cliente.