Más de 300,000 clientes - ¡les damos las gracias!

40,000+ productos para caza y deportes de tiro

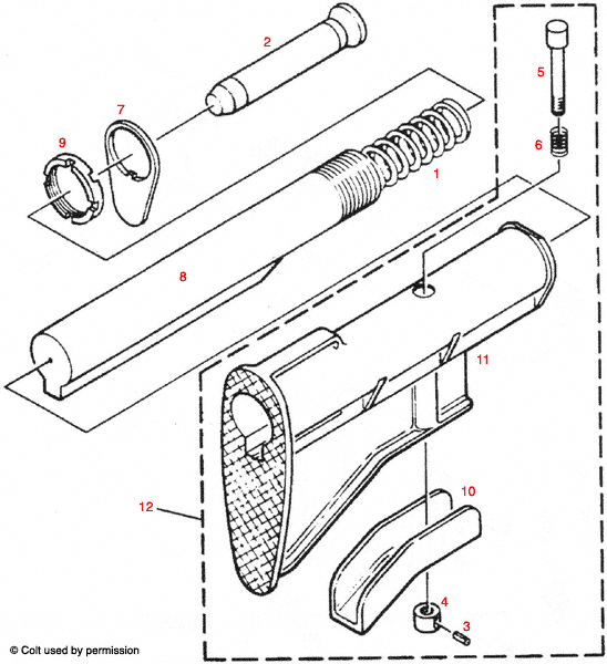
Explora los despieces y repuestos disponibles para el ensamblaje del culatín deslizante del Colt® AR-15, ideales para mantener tu rifle en óptimas condiciones.

Colt® AR-15 Sliding Buttstock Assembly Despieces - La solución perfecta para tus necesidades de repuestos

Bienvenido a nuestra sección de despieces, donde encontrarás una amplia variedad de repuestos para el Colt® AR-15 Sliding Buttstock Assembly. Aquí podrás acceder a descripciones detalladas y especificaciones técnicas de cada componente, asegurando que encuentres exactamente lo que necesitas para mantener tu rifle en óptimas condiciones. Ya sea que busques piezas de reemplazo o simplemente quieras mejorar tu equipo, nuestra selección está diseñada para ofrecerte calidad y durabilidad. Navega por nuestro catálogo y descubre cómo puedes optimizar tu experiencia de tiro con los mejores repuestos disponibles.

Colt® AR-15 Sliding Buttstock Assembly



Colt® AR-15 Sliding Buttstock Assembly Despieces


Colt® AR-15 Sliding Buttstock Assembly
Click en el numero rojo para ver más información del articulo y añadir la referencia del fabricante a tu cesta de la compra. Selecciona "Lista de partes" para ver todos los numeros de este diagrama.

Colt® AR-15 Sliding Buttstock Assembly Partes


Volver arriba