Encuentra una amplia variedad de repuestos y despieces para el Ruger® New Model Blackhawk, perfectos para mantener tu revolver en óptimas condiciones.
Ruger® New Model Blackhawk Despieces - Encuentra todos los repuestos que necesitas
Bienvenido a la sección dedicada a los despieces del Ruger® New Model Blackhawk. Aquí encontrarás una amplia variedad de repuestos y componentes específicos para este icónico revólver. Ya sea que busques piezas de reemplazo, accesorios o simplemente quieras conocer más sobre su funcionamiento, estás en el lugar adecuado. Nuestra selección incluye todo lo necesario para mantener tu Ruger® en óptimas condiciones. No te quedes sin las piezas que necesitas y asegúrate de que tu revólver siempre esté listo para la acción. Explora nuestra oferta y descubre la calidad y fiabilidad que solo Ruger® puede ofrecer.
Ruger® New Model Blackhawk
Ruger® New Model Blackhawk Despieces
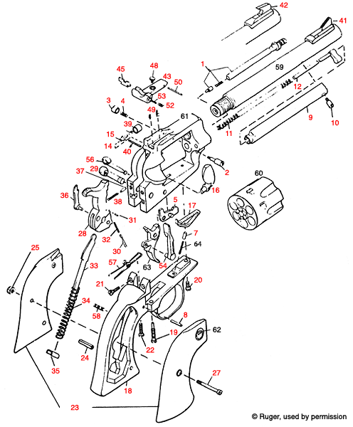
Click en el numero rojo para ver más información del articulo y añadir la referencia del fabricante a tu cesta de la compra. Selecciona "Lista de partes" para ver todos los numeros de este diagrama.
Ruger® New Model Blackhawk Partes
*
Los precios incluyen el IVA, y el transporte de EE.UU a España, no incluye el envío a su domicilio. En caso de envío a las Islas Canarias, la tasa de aduanas se repercutirá al cliente.