Explora una amplia variedad de repuestos y piezas de despiece para el Ruger® Super Blackhawk Hunter, ideales para mantener tu revolver en óptimas condiciones.
Ruger® Super Blackhawk Hunter Despieces - Encuentra lo que necesitas para tu revolver
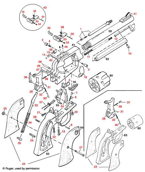
Bienvenido a la sección de Despieces dedicada al Ruger® Super Blackhawk Hunter. Aquí podrás encontrar todo tipo de repuestos y componentes específicos para este emblemático revolver. Ya sea que necesites piezas de reemplazo, accesorios o mejoras, nuestra selección está diseñada para satisfacer todas tus necesidades. Cada producto está cuidadosamente catalogado para facilitar tu búsqueda. No importa si eres un aficionado o un profesional, aquí encontrarás lo que buscas para mantener tu Super Blackhawk Hunter en óptimas condiciones y listo para la acción.
Ruger® Super Blackhawk Hunter
Ruger® Super Blackhawk Hunter Despieces
Click en el numero rojo para ver más información del articulo y añadir la referencia del fabricante a tu cesta de la compra. Selecciona "Lista de partes" para ver todos los numeros de este diagrama.
Ruger® Super Blackhawk Hunter Partes
*
Los precios incluyen el IVA, y el transporte de EE.UU a España, no incluye el envío a su domicilio. En caso de envío a las Islas Canarias, la tasa de aduanas se repercutirá al cliente.