Encuentra todos los repuestos y despieces necesarios para el modelo Ruger® Red Label O/U con prefijo de serie 401/411/420, ideal para tus reparaciones y mantenimiento.
Ruger® Red Label O/U S/N Prefix 401/411/420 Despieces - Encuentra los repuestos que necesitas
En esta página, podrás explorar una amplia gama de despieces y repuestos para el modelo Ruger® Red Label O/U con los prefijos de serie 401, 411 y 420. Si estás buscando piezas específicas para reparar o personalizar tu escopeta, aquí encontrarás todo lo necesario. Cada pieza está diseñada con la calidad y precisión que caracteriza a Ruger®. No importa si eres un aficionado o un experto, tenemos lo que necesitas para mantener tu arma en óptimas condiciones. Navega por nuestra selección y descubre la forma más fácil de obtener los componentes que buscas.
Ruger® Red Label O/U S/N Prefix 401/411/420
Ruger® Red Label O/U S/N Prefix 401/411/420 Despieces
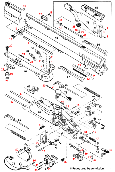
Click en el numero rojo para ver más información del articulo y añadir la referencia del fabricante a tu cesta de la compra. Selecciona "Lista de partes" para ver todos los numeros de este diagrama.
Ruger® Red Label O/U S/N Prefix 401/411/420 Partes
*
Los precios incluyen el IVA, y el transporte de EE.UU a España, no incluye el envío a su domicilio. En caso de envío a las Islas Canarias, la tasa de aduanas se repercutirá al cliente.